¶
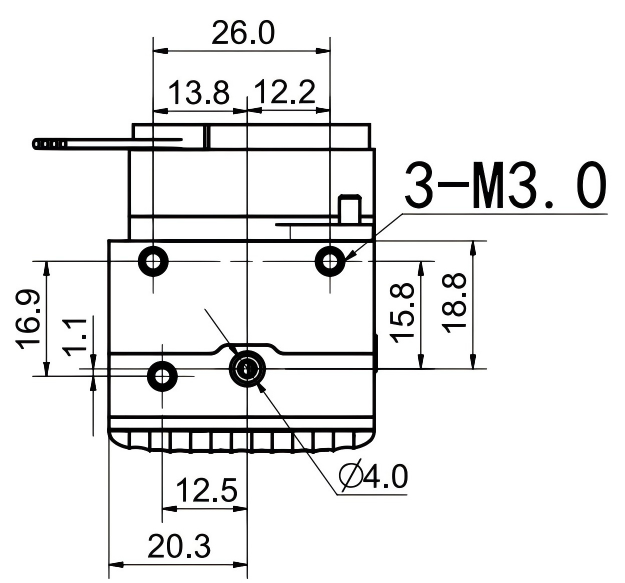
安装尺寸